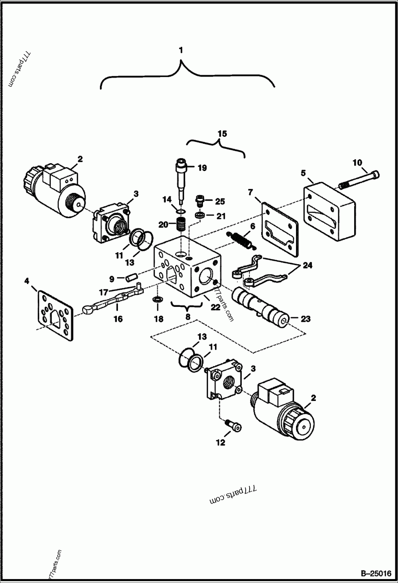
BOBCAT T770 Hydrostatic Pump (Control Module) (Selectable Joystick Controls) (R902103468)

| # | Part No. | Description | Qty |
|---|---|---|---|
| 1 | 70***09 | MODULE, CONTROL; Ref. 2-25 - Model R902105250 | 2 |
| 2 | 66***60 | SOLENOID; W/nut | 2 |
| 2 | 70***43 | NUT; solenoid | 2 |
| 3 | ---- | BUSHING; NSS | 2 |
| 4 | 70***06 | GASKET; Was 7008121 | 1 |
| 5 | 70***22 | COVER | 1 |
| 6 | 66***67 | SPRING | 1 |
| 7 | 70***23 | GASKET | 1 |
| 8 | 70***20 | HOUSING | 1 |
| 9 | 66***10 | PIN | 2 |
| 10 | 66***25 | BOLT; Was 6687996 | 4 |
| 11 | ---- | SPRING; NSS | 2 |
| 12 | 66***97 | SCREW | 8 |
| 13 | ---- | SEAL KIT; NSS | 2 |
| 14 | ---- | SEAL; NSS - Order Ref. 8 | 1 |
| 15 | ---- | ROLLER; NSS | 1 |
| 16 | ---- | LEVER; NSS | 1 |
| 17 | ---- | ROLLER; NSS | 1 |
| 18 | ---- | SHIM; NSS | 1 |
| 19 | ---- | PIN; NSS - Order Ref. 8 | 1 |
| 20 | ---- | SPRING; NSS - Order Ref. 8 | 1 |
| 21 | ---- | PLATE; NSS - Order Ref. 8 | 1 |
| 22 | ---- | HOUSING; NSS - Order Ref. 8 | 1 |
| 23 | ---- | SPOOL; NSS - Order Ref. 8 | 1 |
| 24 | ---- | LEVER; NSS | 2 |
| 25 | ---- | SCREW; NSS - Order Ref. 8 | 1 |

